
作者:www.nenghua.com.cn 发布日期:2014-11-11 21:51 信息来源:http://www.nenghua.com.cn
内容摘要:随着模块化电源系统的发展,开关电源并联技术的重要性日见重要。这里介绍了一种新型并联型高频开关电源整流模块的系统设计方案。其中,对开关电源的驱动电路、缓冲电路、控制电路及主要磁元件进行优化、设计。控制电路以UC3525为核心,构成电流内环、电压外环的双环控制模式,实现系统稳压和限流。并且通过小信号模型分析,对电压电流环的PI调节器进行设计。
叙词:开关电源 PWM 并联 均流 模块
Abstract:With the development of modular power systEMS, switching power supply parallel the importance of technology has become increasingly important. But here is a new parallel-type high-Frequency switching power supply rectifier module of the system design. One of the driving circuit switching power supply, buffer circuit, the main control circuit and magnetIC components to optimize the design. Control circuit to UC3525 as the core, a current inner ring, the outer ring of the double loop voltage control mode, and system regulator and current limit. And through small-signal model analysis, the voltage and current Central PI regulator design.
Keyword:PWM switching power supply module Parallel Flow
0 概述
近几年来,各式各样的开关电源以其小巧的体积、较高的功率密度和高效率越来越得到广泛的应用。随着电力系统自动化程度的提高,特别是其保护装置的微机化,通讯装置的程控化,对电源的体积和效率的要求不断提高。电源中磁性元件和散热器件成了提高功率密度的巨大障碍。开关频率的提高可以使开关变换器(特别是变压器、电感等磁性元件以及电容)的体积、重量大为减小,从而提高变换器的功率密度。另外,提高开关频率可以降低开关电源的音频噪声和改善动态响应。但是由于开关管的通断控制与开关管上流过的电流和两端所加的电压无关,而早期的脉宽调制(PWM)开关电源工作在硬开关模式,在硬开关中功率开关管的开通或关断是在器件上的电压或电流不等于零的状态下强迫进行的,电路的开关损耗很大,开关频率越高,损耗越大,不但增加了热设计的难度而且大大降低了系统得可靠性,这使得PWM开关技术的高频化受到了许多的限制。
根据高频电力操作电源的设计要求,结合实际的经验和实验结果选择合适的开关器件,设计出稳定可靠、性能优越的控制电路、驱动电路、缓冲电路以及主要的磁性元器件。对最大电流自动均流法的工作原理以及系统稳定性进行了较为深入的研究。采用均流控制芯片UC3907设计了电源的均流控制电路,使模块单元具有可并联功能,可以实现多电源模块并联组成更大功率的电源系统。
1 系统原理的设计思想
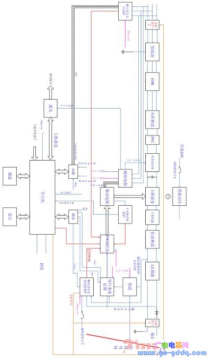
在设计大型的开关电源模块时,首先需要对系统有一个整体的规划,以便于设计整体结构及相应的辅助电源。高频开关直流电源系统的总体框图。(如图1)。
2 控制主电路设计
2.1电压电流双环控制
为了实现输出电压电流均可控,通常采用电流模式控制,常用的电流模式控制有峰值电流控制法和。针对峰值电流控制的不稳定性,容易发生次谐波振荡,对噪声敏感,抗噪声性差等几个缺点。我们采用平均电流控制法PWM。

将误差电压信号Ue接至电流误差信号放大器的同相端,作为输出电感电流反馈的控制信号Uip。将带有锯齿纹波状分量的输出电感电流反馈信号Ui接至电流误差信号放大器的反相端,跟踪电流控制信号Uip。Ui与Uip的差值经过电流误差放大器放大后,得到平均电流跟踪误差信号UC。再由UC与三角锯齿波信号通过比较器比较得到PWM控制信号。UC的波形与电流波形Ui反相,所以,是由UC的下斜坡(对应于开关器件导通时期)与三角波的上斜坡比较产生控制信号。显然,这就无形中增加了一定的斜坡补偿。但为了稳定工作,要求电感电流的下降坡度不能大于晶振的坡度。
2.2小信号分析及电流、电压环PI调节器的参数设计
控制方式有恒压和恒流两种工作方式。当D1导通时,电路工作在恒流模式,此时,电压环不起作用,电路相当于单环控制。当D1截止时,电路工作在恒压模式下,电路采用串级双环控制,电流环作为电压环的内环,电压环PI调节器的输出Ue作为电流环PI调节器的给定。其电路方框图(如图3)所示,在设计参数时,先设计电流环的调节器,获得稳定的内环,然后得到电流环的闭环传递函数Tic(s),并将其作为电压环的一个环节,(如图4)所示,然后设计电压环的调节器。这种控制方式的最大的优点是很好地解决了电路的限流问题,使电路具有最快的限流响应速度。而且可以通过调节电阻R3,减小D1管压降的变化量,以提高这种控制方式的稳流精度。
H为输出电压采样系数,
Ki为电感电流采样系数;
FM为脉宽调制器的传递函数,FM=1/Upp,(Upp为三角波峰峰值);

图3 双环控制模式下的电路方框图
